Ростов-Дон К21 пр Калитка (без дуги)
Для оптовиков и инсталляторов действуют специальные типы цен. Условия обговариваются с нашими менеджерами.
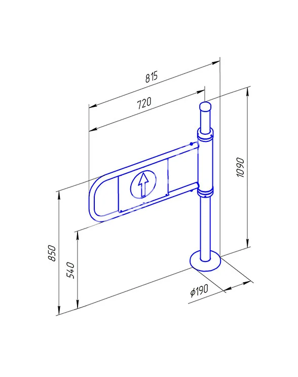
Механическая калитка Ростов-Дон К21 пр (внутреннее исполнение, односторонняя, правая, без дуги)
Механическая калитка «Ростов-Дон К21 пр» — это простое и надежное решение для организации контролируемого прохода пешеходов внутри помещений без использования электропитания. Модель оснащена гидравлическим доводчиком, обеспечивающим плавное и бесшумное движение, и предназначена для эксплуатации в отапливаемых зданиях (климатическое исполнение УХЛ4.2, рабочий диапазон от +1°C до +50°C).
Калитка является односторонней (правой): дуга проворачивается только в одну сторону — на 90° по часовой стрелке. После прохода дуга автоматически возвращается в исходное положение под действием возвратной пружины и гидравлического доводчика, надежно перекрывая проход. Это идеальное решение для организации направленного движения в узких проходах.
Особенностью модели является возможность выбора преграждающей дуги из трех типоразмеров (660, 760, 860 мм), что позволяет адаптировать ширину перекрываемого прохода от 815 до 1015 мм под конкретные задачи. Дуга приобретается отдельно, что дает заказчику гибкость в комплектации и возможность окраски корпуса в любой цвет по шкале RAL (стандарт — «серебряный антик»).
Калитка не требует подключения к электросети и идеально подходит для объектов, где не требуется автоматическое управление от СКУД. Простота конструкции обеспечивает высокую надежность и долговечность.
Ключевые преимущества калитки Ростов-Дон К21 пр
- Механическая конструкция: не требует электропитания, простота и надежность.
- Гидравлический доводчик: плавное и бесшумное открывание/закрывание.
- Автоматический возврат: после прохода дуга самостоятельно возвращается в исходное положение.
- Одностороннее исполнение (правое): дуга открывается на 90° по часовой стрелке.
- Гибкость выбора прохода: 3 типоразмера дуги (660–860 мм) — ширина перекрытия от 815 до 1015 мм.
- Индивидуальная окраска: корпус окрашивается в любой цвет по каталогу RAL (стандарт — «серебряный антик»).
- Компактность и легкость: масса всего 25 кг, удобство транспортировки и монтажа.
- Экономичное решение: доступная стоимость и отсутствие затрат на электроэнергию.
- Долговечность: срок службы не менее 8 лет, гарантия 24 месяца.
Функционал и особенности
- Механический принцип работы: Полная автономность, отсутствие необходимости в подключении к электросети.
- Одностороннее (правое) исполнение: Дуга поворачивается только по часовой стрелке, обеспечивая строгое направление потока.
- Гидравлический доводчик: Обеспечивает плавное, бесшумное движение и автоматический возврат дуги.
- Возвратная пружина: Гарантирует надежное перекрытие прохода после каждого прохода.
- Индивидуальная окраска: Возможность покраски корпуса в любой цвет RAL под корпоративный стиль.
- Стыковка с ограждениями: Возможность монтажа в едином дизайне с ограждениями «Ростов-Дон».
- Простота монтажа: Калитка поставляется в собранном виде, не требует сложной настройки.
- Долговечность: Срок службы не менее 8 лет, гарантия 24 месяца.
Область применения
- Офисные и административные здания.
- Торговые центры, магазины, бизнес-центры.
- Учебные заведения, научно-исследовательские институты.
- Медицинские учреждения.
- Промышленные предприятия и заводы (внутренние проходные).
- Объекты, где не требуется автоматизация от СКУД.
Купить механическую калитку Ростов-Дон К21 пр (правую) в Симферополе можно в нашем интернет-магазине. Официальная гарантия 24 месяца, срок службы не менее 8 лет, сертифицированная продукция. Артикул производителя: 0041-01.
Комплектация поставки
- Калитка Ростов-Дон К21 пр (правая, внутреннее исполнение) — 1 шт. (артикул производителя: 0041-01).
- Паспорт изделия, Руководство по эксплуатации — 1 шт.
Производитель может изменять характеристики, внешний вид и комплектацию товара без уведомления продавца. Актуальную информацию уточняйте на официальном сайте производителя.
Производитель может изменять характеристики, внешний вид и комплектацию товара без уведомления продавца. Актуальную информацию уточняйте на официальном сайте производителя.
